analysis

CABLE FABLE: The Sound of Music and Why the Speaker Cable Really Matters

There is little doubt that speaker cables affect the sound of audio systems. Many audiophiles have known this since the 1970s and yet there has been an ongoing debate ever since. Many explanations have been proposed as to why cables make a difference, but as of now there appears to have been no single consistent explanation.

This report describes a method of testing speaker cables by measuring their characteristic impedance; it then relates this to the way in which they are constructed. This method is consistent with electrical theory and computer simulation.

The paper goes on to show that speaker cables behave as transmission lines, and for correct (distortion-free) transmission of the audio signal from power amplifier to speaker the cable must match the impedance of the speaker load. This analysis clearly describes the cause of audible differences between a range of cables, and the examples included demonstrate this effect.

To ascertain by measurement why various cables sound different

Here we describe a simple experiment we undertook to identify the performance of a number of different speaker cables by measuring the “error” introduced into an audio system by each cable, i.e., the voltage drops between the amplifier and the speaker. The signals used are both white noise and music.

The results show that the principal factor determining the error of a cable is its geometry. Cables with very widely spaced conductors have the greatest error, closer-spaced conductor cables have less error, and very closely-spaced, flat conductor cables have the least, or near zero error. Townshend Audio’s Isolda speaker cable is such a design, and the results have been presented both visually and sonically at https://youtu.be/v11hmOE1Vcc.

The experimental method is described in detail, to enable researchers to repeat the tests in order to verify the conclusions. The results of this experiment may embarrass those cable sound deniers who have hindered the advance of hi-fi for the past 50 years, and hence may allow the quality of high-fidelity sound reproduction to advance.

The Sound of Music and Why the Speaker Cable Really Matters

This investigation reveals that a major factor determining the ‘sound’ of a speaker cable is its characteristic impedance, Zo, which is determined by the cable’s ‘geometry,’ i.e., the way it is constructed. “For a ‘perfect’ cable the Zo should match the impedance of the speaker load it is driving.”

Jack Dinsdale

Jack Dinsdale MA, MSc, sometime engineering professor at Cranfield and Dundee Universities, was co-designer in 1960 of the transformer-less transistor power amplifier, the first of its kind to approach “hi-fi” performance. Jack was the first Professor of Megatronics and is seen here at the Royal Institute, London, comparing the sound of the Townshend Rock Reference and a Pioneer CD player c1986

Fig 1. Cable tester simplified circuit.

Cable Tester Simplified Circuit

The measurement principle adopted here, shown in Fig 1. was to take a series of cables and examine the signal waveform voltage between the amplifier ground terminal (black) and the speaker ground terminal (black). Ideally, this signal should be an identical version of the signal between the amplifier ground (black) and the live terminal (red) with a reduced amplitude due to the low, but finite, resistance of the cable conductor. The frequency response over the audio band should ideally be “flat” between 20Hz and 20kHz. Any deviation from “flat” should be measurable and will most likely be audible as a tonal change in the audio signal. A number of tests were carried out, using the following basic circuit:

A standard 7m length of each cable under test was connected as shown, with a power amplifier driving the amplifier end using a switchable white noise or music source.

Dummy Load

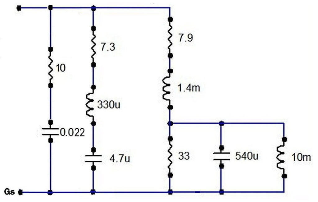
The load end of the cable was connected to an industry-standard 8ohm two-way speaker dummy load, shown opposite in Fig 2.
Fig 2. Dummy Load

WHAT IS WRONG WITH A CABLE?

In the first series of tests the signal voltage between the amplifier ground terminal Ga (black) and the speaker ground terminal Gs (black) was fed to a computer spectrum analyser and to a speaker via a suitable amplifier. This signal was chosen as it shows what is wrong with the cable; it is a very low resistance source and the ground reference is ideal. The results, Fig 3, show the frequency responses of a series of cables from 30 Hz to 20 kHz, together with their characteristic impedances Z0.

Chaos in Cables

Each trace shows the difference in the voltage between the amplifier and the speaker of each cable. The frequency response should be as close as possible to the short circuit, trace 1 in Fig 3. The basically flat, level response at low frequencies between 30 Hz and 400 Hz is due to the resistance of the cable.

The increasing rise in response above 400 Hz is due to multiple reflections caused by the mismatch between the cable characteristic impedance, Zo and the impedance of the load. Note that the load impedance varies between 4 and 25ohms, which is an approximate match with the 18ohm cable.

Various Cable Geometries Tested

Cable 2 comprises two flat strip conductors separated by very thin insulation and has Zo between 8 and 20ohms, Fig 4. The response is shown in trace 2, Fig 3.
Fig 4. Isolda
The flat response demonstrates minimal added distortion

Zip cord

Fig 5. Figure-of-eight or zip cord.

Figure-of-eight, or zip cables, have Zo between 90ohms and 200ohms, Fig 5, with response as in trace 3 in Fig 3.

Two Flat Strips

Fig 6. Two flat strips or two parallel bundles.
Cables with two flat strips side-by-side, or two arrays of parallel conductors side-by-side, have Zo between 200ohms and 700ohms, giving the response shown in trace 4, Fig 3.

Two closely spaced round connectors

Fig 7. Two closely spaced round conductors.

Cables with circular cross-section conductors, separated by between 10 mm and 15 mm, Fig 7, have Zo between 150 and 350ohms with response shown in trace 5, Fig 3.

Round conductors very widely spaced

Fig 8. Round conductors very widely spaced.

Cables with round conductors very widely spaced at between 20 mm and 50 mm, have Zo between 300ohms and 500ohms, Fig 8, giving a response shown in trace 6, Fig 3.

Cables with two conductors, either round or strip, arranged completely separately from each other

Cables with two conductors, either round or strip, arranged completely separately from each other have Zo between 800ohms and 1,300ohms, Fig 9, with response as in trace 7, Fig 3.

CABLES WITH TWO CONDUCTORS, EITHER ROUND OR STRIP, ARRANGED COMPLETELY SEPARATELY FROM EACH OTHER

Cable 2 comprises two flat strip conductors separated by very thin insulation & has Zo between 8 & 20ohms, Fig 4. The response is shown in trace 2, Fig 3.

COMPARING IDENTICAL CABLE

DIFFERING GEOMETRIES

To illustrate how variations in Zo affect the sound, a comparison was made between two identical conductor pairs, where the only difference was the geometry. The first cable, Isolda, comprised two parallel, closely spaced copper strips, 20mm wide by 0.3mm thick, separated by 0.1mm of polyester insulation. This cable has a characteristic impedance, Zo, of 18ohms. It has very high capacitance and very low inductance (0.01uF, 6.6uH). Fig 10.

The different responses of these two cables are shown in traces 2 and 7 in Fig 3. It is important to note that the ONLY difference between two cables is the geometry of the two conductors comprising the cables. To listen to the difference, click below:

In time order, the white noise samples are: short circuit, resistor equal to one conductor, Isolda, trace 2, Fig 3 and separated strips trace 7. Then music with the same sequence. Notice how the first three samples, short circuit, resistor and two flat strips, Isolda, Zo 18ohms, have the same musical balance, whereas the two conductors widely separated, Zo 1,300ohms, sound bright and edgy, due to the extreme rise in the error at high frequencies. The longer a high-impedance cable, the greater is the error at high frequencies. The responses of 3.5 m and 7 m lengths of cable 6 are shown in the two traces in Fig 11. The longer the cable, the greater the error.

WHAT CAUSES THE ERROR?

Transmission line theory states that if the load impedance is much lower than the cable impedance, there will be multiple reflections. See chapter 14, page 483 of: https://www.allaboutcircuits.com/assets/pdf/alternating-current.pdf The conclusion is that a transmission line’s characteristic impedance (Z0) increases as the conductor spacing increases. If the conductors are moved away from each other, the distributed capacitance will decrease (greater spacing between capacitor “plates”), and the distributed inductance will increase (less cancellation of the two opposing magnetic fields). Less parallel capacitance and more series inductance result in a smaller current drawn by the line for any given amount of applied voltage, which is a higher impedance. Conversely, bringing the two conductors closer together increases the parallel capacitance and decreases the series inductance. Both changes result in a larger current drawn for a given applied voltage, equating to a lesser impedance. Further, any two conductors in space form a transmission line – even two bits of wet string – and transmission line effects extend down to DC.
Fig 12. Simulation step into load matched and load mismatchedIf there is a close match between the impedance of the cable and the speaker, there will be very few or no reflections. If there is a mismatch, there will be multiple reflections on every musical transient. Fig 12 shows a simulation of cables 2 and 6 in Fig 3 for the simplest transient, a step. step into load matched and load mismatched

Computer Simulation

Computer simulation, using National Multisim 13 software, shows that there are 1,000 or more reflections triggered by the transient when there is an impedance mismatch. (Similar results are observed with other software, for example, SPICE). For cable 6, Fig 3, with Zo 476ohms, driving the dummy speaker load with a step input from a square wave (the simplest transient) gives rise to severe ringing that has many oscillations. This is due to the transient reaching the mis-matched speaker load where only a small fraction of the signal is absorbed by the load. The remainder of the signal is reflected back to the source (the amplifier) where it is reflected back to the load.

Again, only a small fraction of the now-diminished signal is absorbed by the speaker, with the remainder reflecting back to the source and so on. Over time, all the reflections will eventually be absorbed in the load.

Compare that with the high capacitance, low inductance cable (Isolda), where there are no reflections. It is the multiple reflections generated on every transient because of the impedance mismatch that give rise to the error, which appears as an analogue treble roll-off. The higher the characteristic impedance, the greater is the roll-off; the longer the cable, the greater is the roll-off. Double the length, double the rolloff, as shown in Fig 11, for two lengths of cable 6.

Verifying Results

To verify the results of the simulations, a square wave was fed into cable 3, Zo 330ohms, and the traces shown in Fig 13 were obtained. The left-hand trace is with a mismatched load of 10ohms, where ringing is clearly visible. This is similar to the ringing predicted by the simulations. For the right-hand trace, where the load resistance matches the characteristic impedance of the cable, the square wave is nearly perfect with no ringing, again as predicted.

OSCILLOSCOPE MEASUREMENTS

Fig 13. Cable 6, Zo 324ohms into 10ohms

Fig 13. Cable 6, Zo 324ohms into 330ohms

Fig 14. the cable is Isolda, Zo 18ohms, driving the 10ohm load.

With a matched cable and load, the signal is completely absorbed by the load with no reflections. With a mismatched load, there are continuous, multiple reflections triggered by every change in the music, and it takes time for each transient to be completely absorbed by the load. It is the delayed nature of the absorption of the multiple reflections that gives rise to the high frequency roll-off, clearly shown in Fig 3. Ironically, the mismatched cables do not sound dull, as one would expect because of the roll-off, but they sound bright. This is due to the time-smear caused by the delayed energy release from the multiple reflections. Note that every transient should be one single event, not thousands and thousands of events as it is with every music transient when using mismatched cables. Note that the effect of the reflections may be measured down to 400 Hz with a high-impedance cable as is clearly shown in Fig 3. With impedance matched cables this does not occur; one transient is transmitted as just one transient.

Fig 15 Impedance matched cable

An analogy is to imagine steady waves from the open ocean arriving at a gently sloping shore where all the energy is dissipated in the white water as heat and sound and there is no back wash or reflected wave. The shore break is effectively impedance-matched to the waves and there is no reflection. The waves just off the shore are the same as the waves further out, as shown in the picture above, Fig 15.

Mis-matched cable

Contrast this with sea waves hitting a solid wall where little energy is dissipated, resulting in the back wave reflecting off the wall. These waves interact with the oncoming waves, and the resultant sea is chaotic, as shown in the right-hand picture in Fig 15. This is analogous to the chaos in speaker cables where there is a mismatch between the cable and the speaker. This chaos is the main reason for the all-so-common brightness and hardness heard in audio systems.

Mismatched cables may fool some listeners into believing there is extra clarity since the reflections do not blur the music. However, if complex music is played, such as Mahler’s Symphony No. 2, the result is inevitably a disaster.

Many hi-fi companies release demonstration tracks which, more-often-than-not, are very simple in structure, such as a guitar and vocal, lone simple piano or simple percussion. This is because the extra brightness, caused by mis-matched cables, may fool the naive listener into believing there is extra clarity since the reflections do not blur the music. However, if complex music is played, such as Mahler’s Symphony No. 2, the result is inevitably a disaster. Since almost all systems use mis-matched cables, they will never sound as clear as a system using impedance-matched cables.

Staff at Townshend Audio have known this since 1978 when they introduced the first Isolda cable comprising six 50ohm coax cables connected in parallel to give a characteristic impedance of 8.2ohms. Many customers said that once they had experienced the improvement wrought by impedance matching, it was very hard to go back. Note that there is traditionally a reluctance to use high-capacitance cables because, in a simple RC [resistor-capacitor] circuit, a high capacitance load will cause a roll-off of high frequencies, but this investigation has found the exact opposite. Note also that many amplifier designers omit the mandatory 3 microhenry (3µH) inductor at the output of their Class AB amplifier and rely on the inductance of 3.5µH or more of widely spaced cable conductors to stabilise the amplifier. It is common knowledge that this is a cynical ploy to force the customer to purchase their own highly inductive cables.

The approach at Townshend Audio is to place a 1.5µH inductor in each leg at the amplifier end of all Isolda cables. This has successfully countered these design faults. The results of these measurements, both by scientific measurement and by listening tests, would appear to demonstrate conclusively why the various designs of speaker cables sound different from each other.

They have also shown that, for a cable to make no difference to the audio signal leaving the amplifier, its characteristic impedance must closely match the impedance of the speaker it is driving. Details of the test equipment and methods used here have been provided in Appendix A.

Conclusions

This detailed investigation into why speaker cables affect the sound of a high-quality audio system in different ways has reached the following conclusions.

1. The property that most affects a cable’s performance is its characteristic impedance (Z0), (see definition in Appendix C) which is determined by its physical construction. The characteristic impedance (Z0) increases as the conductor spacing increases. If the conductors are moved away from each other, the distributed capacitance will decrease (greater spacing between capacitor “plates”), and the distributed inductance will increase (less cancellation of the two opposing magnetic fields). Less parallel capacitance and more series inductance results in a smaller current drawn by the line for any given amount of applied voltage, which is a higher impedance. Conversely, bringing the two conductors closer together increases the parallel capacitance and decreases the series inductance. Both changes result in a larger current drawn for a given applied voltage, equating to a lesser impedance.

2. The speaker cable acts as a transmission line (see definition in Appendix C) which, if not terminated by a load (in this case the speaker) with the same impedance as the characteristic impedance (Z0) of the cable itself, will cause a series of reflections, which have an audibly deleterious effect on the transmitted sound signal.

The following notes should be observed:

Our Research

Researchers at Townshend Audio have known since the late 1970s that the characteristic impedance, Zo, is the “elephant-in-the-room” that defines the basic difference in the sounds produced by different speaker cables. If one really wants high fidelity, ignore this at one’s peril. Cable mismatch is one reason why listeners cannot tell the difference between CD and high-resolution music. The other major reason is that external vibration is blurring the sound. See video.

“Ended my Alice-in-Wonderland experience with high-end cables” 

One astute audiophile remarked that utilising the Isolda speaker cable ended his “Alice-in-Wonderland experience with high-end cables” and he is now able to sit down, relax and listen to music. These measurements and results are expected to be controversial, but critics are invited to duplicate the tests themselves before rushing to judgment.

Appendix A: Test Method

For the signal generation and spectrum analysis, Room Equalizer Wizard (REW https://www.roomeqwizard.com/) software was used. For the computer to analyser, the Focusrite 2i2 Scarlett Solo USB audio interface, Fig 16, was used, connected to a PC. Fig 16. Focusrite Scarlet Solo 3rd Gen Pro Audio Interface. The monitor speaker output 1 from the rear of the Focusrite 2i2 was connected to the cable under test. The speaker end of the cable was connected to the dummy load. Input one was connected to the black/ground/cold end of the cable at the dummy load end. The REW was set to output white noise and the spectrum smoothing was set to 1/6. To facilitate these connections and to directly compare cables, the Cable Analyser shown in Figs 17 to 19 was constructed.

Townshend Audio's cable Analyser

Basic circuit of the tester.

Source choice of music or white noise goes through an amplifier to a dummy speaker load, spectrum analyzer, and loudspeaker.

Complete tester circuit.

Cables 1 and 2 are connected in parallel for convenience. The amplifiers are included to amplify the music and to play the results on the speaker. The sound on the audio tracks are taken directly from the spectrum analyser output of the Focusrite 2i2.

Alternate Method Using Android Phones

Connect as per the illustration on the right. 

Fig 20.Connections for 3.5 mm jack.

APPENDIX B: Three Methods of Deriving Characteristic Impedance

METHOD 1 – Use a VICI DM4070 LCR Meter or Similar

1. Measure the capacitance (C) of the cable with the cable open circuited.

2. Measure the inductance (L) of the cable with the end short circuited.

3. With capacitance in microfarads and inductance in microhenries calculate the impedance by this formula Zo = √L/C ohms.

METHOD 2 – Calculate the Characteristic Impedance

Formula for calculating Zo

This formula is for zero resistance conductors.

Fig 21. Measuring Zo.

METHOD 3 – Measure the Characteristic Impedance

Connect the cable as shown in the schematic Fig 21. Set a 10 kHz square wave on the oscillator and adjust the potentiometer so that an identical square wave is seen on the oscilloscope at each end of the cable. Disconnect the potentiometer and measure the DC resistance. That is the characteristic impedance, Zo, of the cable. See Fig 13 and Fig 14 above. Measure your cable and calculate the Zo then compare it with the cables depicted in Fig 3, to see your cable error.

APPENDIX C: Definitions

Characteristic Impedance The characteristic impedance is the resistance a cable would exhibit if it were infinite in length. This is entirely different from leakage resistance of the dielectric separating the two conductors, and the metallic resistance of the wires themselves. • Characteristic impedance is purely a function of the capacitance and inductance distributed along the line’s length and would exist even if the dielectric were perfect (infinite parallel resistance) and the wires superconducting (zero series resistance). • Characteristic impedance (Z0) increases as the conductor spacing increases. If the conductors are moved away from each other, the distributed capacitance will decrease (greater spacing between capacitor “plates”), and the distributed inductance will increase (less cancellation of the two opposing magnetic fields). Less parallel capacitance and more series inductance results in a smaller current drawn by the line for any given amount of applied voltage, which is a higher impedance. 

Conversely, bringing the two conductors closer together increases the parallel capacitance and decreases the series inductance. Both changes result in a larger current drawn for a given applied voltage, equating to a lesser impedance. Transmission Line A transmission line is a pair of parallel conductors exhibiting certain characteristics due to distributed capacitance and inductance along their length. • When a voltage is suddenly applied to one end of a transmission line, both a voltage “wave” and a current “wave” propagate along the line at almost the speed of light. • If a DC voltage is applied to one end of an infinitely long transmission line, the line will draw current from the DC source as though it were a constant resistance. • • A reflected wave may become re-reflected off the source end of a transmission line if the source’s internal impedance does not match the line’s characteristic impedance. This re-reflected wave will appear, of course, like another pulse signal transmitted from the source. www.townshendaudio.com

Acknowledgments

Acknowledgments Jack Dinsdale MA, MSc, sometime engineering professor at Cranfield and Dundee Universities, was codesigner in 1960 of the transformer-less transistor power amplifier, the first of its kind to approach “hi-fi” performance. 

Keith Howard, rigorous Hi-Fi journalism 

This white paper from Cable Theory for sceptics Apart from playing the piano, Richard Black is an experienced recording engineer, producer editor and consultant on audio technology. 

Working for British Telecom he was able to use highly sensitive equipment to demonstrate the effect of impedance matching in short runs of wire at AF.

With the ear of a musician and mind of engineer he has the ability to discern what the difference is between excellent and just good audio and put his finger exactly on what a problem may be with sound reproduction and how to solve it.

Richard started playing the piano just before his 7th birthday and was lucky to go to a school with a good music department. One of his school-friends founded a record label and through him he met Ronald Stevenson a musical visionary, who was a close friend until his death a few years ago.

After school Richard studied physics for his degree and worked for eight years in industrial electronics, but never gave up practising the piano and doing various accompanying work.

He has met and worked with many famous musicians and recalls meeting John Ogdon through a shared record label and watching him play and turning the pages for him on many occasions. Richard says thar Ogden was an object lesson in achieving the apparently impossible while Sir Donald Macintyre made him think a lot about effective sound production.

Richard says The Wigmore Hall is one of his favourite venues to play in and listen to music in often listening to friends performing. While he’s not sure it’s the ultimate acoustic for piano, it’s as good as it gets for string quartet, which is a favourite genre of his, and voices bloom there too. Once again understanding of the acoustics of the Hall allow him to critique the reproduction of records, CD’s, and the equipment they are played through.

Hervé Delétraz: A Passion for Music Reproduction

White paper from Deleraz: Impedance Matching in audio, Myth or reality?

From a very early age, Hervé Delétraz has been fanatical about music reproduction. Aged ten he received his first Philips Electronic kits and built his first AM 2-band super heterodyne radio. In 1984, he earned his degree in electrical engineering from the École d’Ingénieurs de Genève, and in his final year he built his first audio amplifier.

Today, his darTZeel amplifiers, pre-amplifiers and integrated electronics are renowned worldwide, producing sound output with dynamic range on a par with live concert experiences.

Hervé s guiding principle when developing products is to ask, “does this bring us to the heart of the music?” If the answer is not an unqualified “Yes” the equipment doesn’t see the light of day.

Hervé influences have been famous Swiss brands and Swiss engineering, but his favourite by far is Revox-Studer and he has owned all their early equipment and now collects their wonderful reel-to-reel machines which he couldn’t afford when he was younger. The Studer name is famous as being the tape equipment used in Abbey Road by George Martin and The Beatles.

When it comes to equipment Hervé doesn’t care about price tag; if specific audio components are unable to convey music with its natural emotions, then it’s a failure. But you can often find satisfying musical systems without hefty prices if you’re prepared to look around with your ears and experiment.

Music is a universal language conveying all conceivable emotion palettes. When building an audio system, it’s important not forget one thing; if you can feel some of the emotion through your system, keep it as long as it makes you happy. And instead of spending only on equipment, buy software: CDs, and Vinyl. The more music you listen too, the more you will understand when your system needs an upgrade.

At Townshend we totally concur

Our Research #1

This video compares the input voltage of a speaker cable with the output voltage using a 2kHz square wave. It shows near-perfect transfer with an impedance-matched cable and a far from perfect transfer with a mismatched cable.

Our Research #2

This video compares the input voltage of a speaker cable with the output voltage using music. It shows a near-perfect transfer with an impedance-matched cable and a far from perfect transfer with a mismatched cable.

Our Research #3

This video compares two identical copper strips, firstly closely spaced impedance matched and widely spaced where the impedance is grossly mismatched.

Our Research #4

This video explains that the glitches are caused by the slow signal build-up because of the multiple reflections when the cable is mismatched with the load.

Our Research

Researchers at Townshend Audio have known since the late 1970s that the characteristic impedance, Zo, is the “elephant-in-the-room” that defines the basic difference in the sounds produced by different speaker cables. If one really wants high fidelity, ignore this at one’s peril. Cable mismatch is one reason why listeners cannot tell the difference between CD and high-resolution music. The other major reason is that external vibration is blurring the sound. See video

What are the glitches?

Researchers at Townshend Audio have known since the late 1970s that the characteristic impedance, Zo, is the “elephant-in-the-room” that defines the basic difference in the sounds produced by different speaker cables. If one really wants high fidelity, ignore this at one’s peril. Cable mismatch is one reason why listeners cannot tell the difference between CD and high-resolution music. The other major reason is that external vibration is blurring the sound. See video

Now you have found us, lets keep in touch!

+44 (0)208 979 2155

 

UK

Email mail@townshendaudio.com

Translate »